BERNARDO Planscheibe – Modell Planscheibe K72-1250/D15
(Inkl. MwSt)
11.190,00€
(Exkl. MwSt)
Ab 200 € Bestellwert: Versandkostenfrei
Speditionsversand: ca. 3–7 Werktage
BERNARDO Planscheibe – Modell Planscheibe K72-1250/D15 ist bereits auf dem Weg zu uns und kann ab sofort vorbestellt werden.
Infos zum Produkt:
Anfrage stellen
Anfrage stellen
Schick uns deine Anfrage ganz einfach über unser Kontaktformular. Wir freuen uns darauf, von dir zu hören und helfen dir gerne weiter! 😊 HIER KLICKEN
Details zur Lieferung und Lieferzeit
Details zur Lieferung und Lieferzeit
Lieferung & Lieferzeiten
Wir versenden unsere Waren per DHL Paketdienst oder per Spedition Lohmöller / Dachser.
Lieferarten & -fristen
Paketversand (DHL): ca. 2–5 Werktage
Speditionsversand: ca. 4–10 Werktage
(Lieferung erfolgt frei Bordsteinkante)
Expressversand ist nach Rücksprache möglich – bitte kontaktieren Sie uns vorab.
Hinweis zu Ersatzteilen:
Ersatzteile gelten als Sonderbestellungen und können eine längere Lieferzeit haben.
Beginn der Lieferfrist
Die Lieferfrist beginnt:
bei Vorkasse: am Tag nach Zahlungseingang an unser Kreditinstitut
bei anderen Zahlungsarten: am Tag nach Vertragsschluss
Fällt das Fristende auf einen Samstag, Sonntag oder gesetzlichen Feiertag am Lieferort, verschiebt sich das Fristende auf den nächsten Werktag.
Teillieferungen bei gemischtem Warenkorb
Bei Bestellungen mit Artikeln unterschiedlicher Lieferzeiten versenden wir die Ware gemeinsam, sofern nichts anderes vereinbart wurde.
Die Lieferzeit richtet sich in diesem Fall nach dem Artikel mit der längsten Lieferzeit.
Produktbeschreibung:
BERNARDO Vierbacken-Planscheibe K72-1250/D15 nach DIN 55029
Die K72-1250/D15 ist eine hochwertige Vierbacken-Planscheibe in robuster Gussausführung mit Camlock-Direktaufnahme nach DIN 55029. Sie ist optimal geeignet zum Spannen asymmetrischer und rechteckiger Werkstücke auf Drehmaschinen und bietet maximale Flexibilität bei komplexen Spannaufgaben.
Produktspezifikationen:
- Ausführung: Vierbacken-Planscheibe in massiver Gusskonstruktion
- Camlock-Direktaufnahme gemäß DIN 55029 – Typ D15
- Vier einzeln verstellbare Spannbacken – ideal für unregelmäßig geformte Werkstücke
- Ab Ø 300 mm mit eingefrästen T-Nuten – für zusätzliche Spannmöglichkeiten
- Inklusive 1 Satz harter, einteiliger Spannbacken
Anwendungsbereich:
- Geeignet zum Spannen von asymmetrischen oder rechteckigen Werkstücken
- Einsetzbar auf Drehmaschinen mit Camlock-Aufnahme (D15)
- Ideal für Fertigungs-, Werkzeug- und Reparaturbetriebe
Die BERNARDO Planscheibe K72-1250/D15 ist eine zuverlässige und stabile Spannlösung für komplexe Werkstückformen – robust, exakt und langlebig.
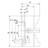
Technische Daten
Futtergröße | 1250/D15 |
D - Durchmesser | 1250 mm |
Kegel | 15 |
D1 (max.) | 285,77 mm |
D2 | 330,2 mm |
D3 | 280 mm |
H1 | 165 mm |
Max. Drehzahl | 180 U/min |
Gewicht ca. | 835 kg |
Sicher einkaufen auf Tools.de
Sichere Zahlungsmethoden, Raten- und Kauf auf Rechnung. Preisangaben inkl. MwSt. zzgl. Versand. Je nach Lieferadresse kann die Mehrwertsteuer an der Kasse variieren.
Herstellerinformationen: PWA Handelsges.m.b.H., Nebingerstraße 7a, A - 4020 Linz, bernardo@pwa.at, www.bernardo.at


